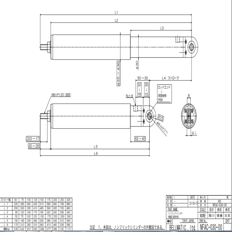
Bellmatic低磨损气缸NFAC-30-150联系人卫18538758921
Bellmatic低磨损气缸NFAC-30-150联系人卫18538758921
Bellmatic低磨损气缸NFAC-30-150联系人卫18538758921
是用低机械损耗控制松弛、张力的装置。
特征
通过滑动部气隙,由于低摩擦、低机械损失,能够以微小压力进行动作
CFRP(通过采用强化碳纤维管)轻量
可制作长行程
易于维护
结构简单,无以往产品缺陷橡胶等咬入引起的故障
用途
用于控制腹板输送线的阻尼器
卷绕装置触摸辊用
一般规格
使用压力范围0.01~0.3MPa
使用气体清洁空气
使用温度/湿度20〜25℃50%RH↓
加油、不含水分
初始压力0.16kPa(NFAC-40-100),模板名称将采用不同的格式
工作压力1kPa(NFAC-40-100),模板名称将采用不同的格式
制作规格
气缸直径:φ20〜100mm(标准)也可制作上述以外的尺寸(特别订购品)
行程:25・50mm音高
内筒材质:铝材(硬质铝处理)
外筒材质:CFRP(强化碳纤维管)
使用注意事项
使用时请务必垂直安装。
除特殊情况外,请勿并行使用。
以垂直以外的角度使用时,请使用线性导向气缸。
推力计算
F=Ap
F: 推力(N)
A:活塞受压面积(mm)=π/4×D₂
D:气缸内径/孔径(mm)
p:工作压力(MPa)

Bellmatic低损耗非反转气缸NFAC-50-200联系人卫18538758921