使用环境
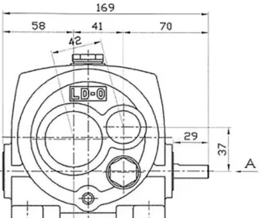
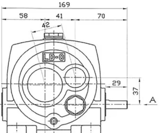
传输类型蜗轮 减速比60 轴放置(Axis Placement)两个输出轴 钥匙原 JIS 2 (JIS B 1301-1959) 型号类型 0 固定方法用适当的扭矩拧紧螺栓,防止其松动 安装栈桥的水平和垂直、完全刚性、无振动的加工表面 润滑剂油润滑 衣苔藓绿 (Mansell 7.5GY5/2) 规范齿轮配置:蜗轮、正齿轮、2级 类型蜗杆减速机
OSAWA大泽集尘机工业吸尘器SC20-32GW/F青岛平山技研刘15621198049
RELATED PRODUCTS
